Plaza Comercial Puerta del Sol
Mérida, Yucatán
Complejo comercial en estructura metálica
El proyecto consistió en el diseño estructural de un complejo comercial conformado por tres edificios dispuestos en forma de “C”.
Los dos volúmenes extremos fueron desarrollados en una sola planta, mientras que el cuerpo central se proyectó en dos niveles, concentrando la mayor demanda estructural.
El sistema estructural se resolvió completamente en acero, empleando columnas HSS, vigas tipo W y losas de vigueta y bovedilla apoyadas sobre estructura metálica.
Reto estructural
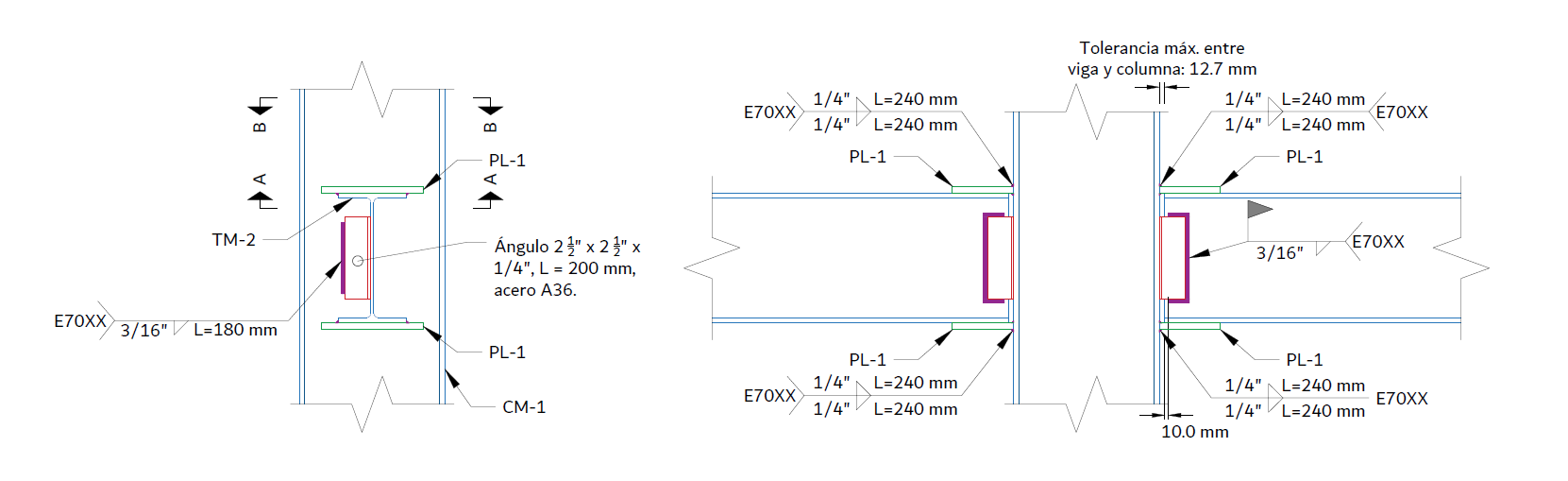
Uno de los principales retos del proyecto fue el diseño y coordinación de múltiples tipologías de conexiones metálicas, considerando variaciones de carga, jerarquía estructural y claridad constructiva.
Adicionalmente, fue necesario conciliar el sistema tradicional de losa de vigueta y bovedilla con la estructura metálica principal, garantizando adecuada transferencia de cargas y compatibilidad geométrica.
Criterio estructural adoptado
El complejo fue estructuralmente dividido en tres cuerpos independientes mediante juntas estructurales, duplicando columnas en las zonas de separación para permitir que cada bloque trabajara de forma autónoma ante acciones de viento.
A nivel de cimentación, se implementaron trabes de liga entre dados de concreto con el propósito de redistribuir esfuerzos y reducir momentos en los elementos de apoyo, mejorando el comportamiento integral del sistema de cimentación.
El proyecto incorporó además un pasillo de circulación en voladizo que conecta los distintos locales comerciales, el cual fue verificado en términos de rigidez y control de deflexiones para garantizar desempeño adecuado en servicio.

